在现代电力系统中,电缆是输电与配电的重要通道。随着电压等级不断提高、网络结构愈发复杂,电缆绝缘的安全性已成为供电可靠性的关键指标。
而局部放电(Partial Discharge, PD)检测,正是电缆绝缘“健康体检”的核心手段。
一、电缆局部放电的本质
局部放电是指在电缆绝缘材料内部、表面或空气间隙中发生的局部击穿现象。它不会立即导致绝缘失效,但长时间累积会形成“电树枝”、气隙碳化等隐患,最终导致电缆击穿。


二、局放建模与传播机制
研究人员通过电容模型、感应电荷模型、粒子模拟(PIC)与有限元分析(FEA)等多种方法,对局放的形成与传播规律进行了模拟。
尤其是电缆的同轴结构,使得放电脉冲能够沿导体传播,如同微型电磁波在传输线中反射。
因此,在检测局放时,信号的传播特性直接影响到放电定位与幅值判断的准确性。
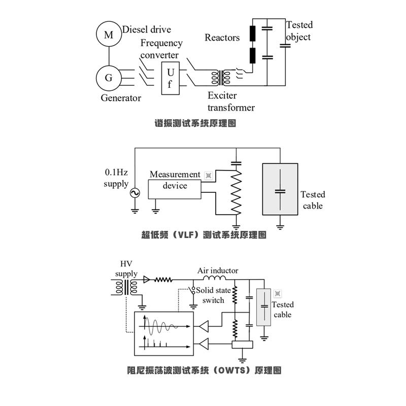
三、离线检测:工频、低频与阻尼交流试验
根据IEC标准,额定电压高于3kV的电缆都必须进行局放试验。
目前常见的离线PD测试方法包括:
| 检测方法 | 特点 |
| 工频AC试验 | 模拟运行工况最真实,但设备体积大、成本高; |
| 超低频(VLF)试验 | 频率低至0.1Hz,测试功率需求小,适合现场检测; |
| 阻尼交流(DAC)试验 | 利用电感与电缆电容共振产生短时振荡波形,可精确捕捉放电脉冲。 |
研究显示,不同频率下的PD起始电压(PDIV)会有所差异:
- 0.1Hz 下的PDIV 通常比 50Hz 高出 1.2~2倍;
- 阻尼交流测试能更接近工频条件;
- 超低频试验适用于现场初步诊断,但在实验室结果中差异可达 ±200%。

四、在线监测:让“隐患”随时可见
随着智能电网与数字运维的发展,电缆局放在线监测系统(Online PD Monitoring System) 已成为高压电缆运行的必备装备。
在线监测的优势包括:
五、主流传感器技术
| 传感器类型 | 优点 | 局限 |
| HFCT(高频电流互感器) | 安装方便、灵敏度高 | 受工频大电流影响、需电流回路 |
| 声发射(AE)传感器 | 抗电磁干扰能力强 | 声波衰减大、定位精度受限 |
| UHF(超高频)传感器 | 抗干扰性能好 | 信号衰减大、校准困难 |
| 紫外成像传感器 | 操作直观 | 仅能检测电晕放电 |
| 电容耦合传感器 | 灵敏度高、信号清晰 | 安装复杂,存在接地安全风险 |

六、发展趋势与挑战
论文指出,未来电缆局放检测的发展方向包括:
1、从“检测”到“诊断” —— 不仅判断是否放电,更能识别类型与发展趋势;
2、从“离线”到“在线” —— 建立长期监测体系,实现数字化资产管理;
3、从“经验判断”到“算法识别” —— 利用AI与大数据进行放电模式识别与寿命预测;
4、多物理量融合监测 —— 将电信号、声信号、红外、温度、气体等数据融合,提高准确性。
结语
局部放电检测,正从实验室走向现场、从人工判断走向智能监测。
对供电企业与设备制造商而言,掌握先进的局放检测技术,不仅意味着降低停电风险,更是迈向智能运维与电力数字化的关键一步。
